各市、县(市、区)人民政府,省级有关单位:
《浙江省推进存量资源改建养老服务设施操作办法(试行)》已经省政府同意,现印发给你们,请认真贯彻落实。
浙江省发展和改革委员会
2024年4月3日
浙江省推进存量资源改建养老服务设施操作办法(试行)
为积极应对人口老龄化,多渠道开发利用存量资源建设养老设施,结合我省实际形成操作流程制度规范,特制定本办法。
一、适用范围
(一)存量设施类型范围
1.存量的商业或办公用房、工业或仓储用房、学校、基层卫生院、商品房等;
2.党政机关、国有企业事业单位闲置用房;党政机关、国有企事业单位举办的培训中心、疗养院及其他具有教育培训或疗养休养功能的各类机构;
3.其他适合用于作为养老服务设施的存量资源。
(二)养老设施类型范围
1.《养老机构管理办法》(民政部令第66号)规定的养老机构,即依法办理登记,为老年人提供全日集中住宿和照料护理服务,床位数在10张以上的机构。
2.《浙江省养老服务设施布局专项规划编制导则》中规定的居家养老服务设施,包括居家养老服务用房、街道(乡镇)居家养老服务中心、社区(村)居家养老服务照料中心等。
3.养老配套服务设施,包括医疗卫生设施、老年活动中心、老年大学/学校(包括老年电大及教学点)、老年助餐服务设施等。
二、实施路径
(一)明确改建方式
视存量设施具体情况,可按照纳入城市更新或临时改变建筑用途两种方式参与改建。
1.以纳入城市更新方式实施改建的,重点为涉及土地规划调整、需大改大建方能符合养老设施标准的存量设施,如存量工业、仓储用房、闲置校舍等。
2.以临时改变建筑用途方式实施改建的,重点为结构和消防能达到养老设施要求,且不涉及新建、扩建的存量设施,如商业、办公、社区用房等,此方式改建可暂不改变规划性质、土地权属。
(二)明确城市更新方式操作程序
1.项目提出。项目主体向项目所在地县区级民政部门提出兴办养老服务设施项目申请。(申请所需材料见流程指引图)
2.需求汇总。县区级民政部门将项目汇总后,形成需求清单,报城市更新实施单位。
3.项目评估。由城市更新实施单位牵头,住建部门负责指导项目主体组织专业第三方对拟改建设施开展评估,完成房屋结构安全、消防安全等相关检验检测,依据评估报告细化并论证改建方案;用存量工业设施改建的项目,应开展土壤污染状况调查,确保地块安全利用;对国有土地上存量设施(如社区用房等)因历史原因未办理产权证的,由县级政府或指定机构研判后出具使用房产权属证明,相关职能部门应对使用房产权属证明予以认可。
4.纳入计划。由城市更新实施单位结合本地区养老设施规划、区域更新需求,将拟建养老服务设施项目纳入城市更新计划。
5.规划调整。由城市更新实施单位将所形成的评估报告、城市更新计划等报同级政府批准。编制城市更新实施方案,由县(市、区)人民政府组织有关部门联合审查认可后,自然资源部门依法进行详细规划调整。涉及有关专项规划修改的,应依法同步开展专项规划的调整。
6.办理用地手续。根据民政部门提出的养老服务设施建设、运营等管理要求,自然资源部门依法依规办理相关用地手续。
7.项目建设。项目主体按照基本建设程序组织实施。
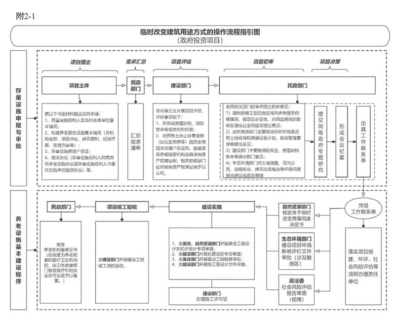
(三)明确临时改变建筑用途方式操作程序
1.项目提出。项目主体向项目所在地县区级民政部门提出兴办养老服务设施项目申请。(申请所需材料见流程指引图)
2.需求汇总。县区级民政部门将项目汇总后,形成需求清单。
3.项目评估。依托存量设施协调推进机制,住建部门负责指导项目主体组织专业第三方对拟改建设施开展评估,完成房屋结构安全、消防安全等相关检验检测,依据评估报告细化并论证改建方案;对国有土地上存量设施(如社区用房等)因历史原因未办理产权证的,由县级政府或指定机构研判后出具使用房产权属证明,相关职能部门应对使用房产权属证明予以认可。
4.项目初审。依托存量设施协调推进机制,对该存量设施是否用于兴办养老服务设施,由民政、自然资源、应急、住建(消防)、环保、卫健以及设施所在街镇等提出改进意见。
(1)属地街镇主要结合区域内养老服务供需情况和房屋征收计划,就项目必要性、对周边居民的影响及潜在社会风险等提出建议或改进举措;
(2)自然资源部门主要就项目所在地是否有土地收储和规划管理要求等提出建议或改进举措;
(3)住建部门(消防部门)主要就消防安全、房屋结构安全等提出建议或改进举措;
(4)生态环境部门主要就项目建设过程中土壤调查、雨污分流、油烟排放、建筑垃圾堆放等环保问题提出建议或改进举措;
涉及园区及管委会的,园区及管委会就区域功能布局适宜性提出建议或改进举措。
5.项目决策。民政部门将初审意见提交同级政府专题研究,形成会议纪要。
6.项目前期。根据会议纪要,由民政部门出具工作联系单,落实项目报建、环评、社会风险评估等流程办理责任单位,各单位据工作联系单做好项目前期各项工作。
7.项目建设。项目主体按照基本建设程序组织实施。
三、加强两方面保障
(一)加强规划保障
1.扎实开展城市更新规划编制工作。在遵循国土空间总体规划管控要求的前提下,加快相关规划编制工作,将养老设施改建作为重点内容纳入城市更新规划实施方案。
2.积极稳妥推动规划调整。经规划实施评估论证的存量设施,在改建养老设施过程中,可依法适当增加容积率、建筑规模等;对于用地条件有限的改建项目,间距、日照、退界、交通、市政配套、绿地率等指标要求,可按不低于现状水平进行控制。支持相关园区内工业、商业等存量设施依托银发经济产业园建设,一体推动养老设施改建项目实施。
(二)强化资金保障
3.强化养老服务体系建设财政保障力度。视项目情况,在年度养老服务体系建设财政资金中安排资金用于支持推进养老设施改建项目。宁波市参照执行。
4.强化城市更新专项资金支持力度。对通过城市更新方式参与养老设施改建的项目,省级财政在城市更新等专项资金中给予补助,具体补贴标准和实施细则由省财政厅会同城市更新计划组织实施部门研究制定。鼓励各设区市、县(市、区)统筹相关政策和资金,对养老设施改建项目加强支持,研究补助比例和补助核准细则。
5.强化各类财政金融工具支持力度。积极争取长期国债、中央预算内资金,加大对养老设施改建项目支持力度,用好用足普惠养老专项再贷款政策,支持各设区市、县(市、区)加大政府专项债对符合条件的城市更新类养老设施改建项目支持力度。
四、强化三方面压减
(一)减成本
6.减轻检测费用负担。鼓励有条件的地区探索推动将养老设施改建所需的检验检测事项,纳入城市更新现状评估、年度城市体检行动等工作,研究制定费用分担办法。
7.减轻运营成本负担。利用存量资源兴办的养老服务设施,经相关主管部门认定符合要求的,可按照有关规定享受运营补贴以及税费减免;养老机构用水、用气按居民生活类价格执行,养老机构有线数字电视基本收视维护费标准由运营机构按不高于当地居民用户主终端基本收视维护费标准的50%与用户协商收取;养老机构和居家养老服务设施用电按居民生活类价格执行。
8.减轻用地成本负担。通过临时改变建筑使用功能改建养老设施,所使用存量房屋在符合详细规划且不改变用地主体的条件下,可在五年内实行继续按土地原用途和权利类型适用过渡期政策。
(二)减环节
9.强化统筹协同。各县(市、区)人民政府作为推进本行政区存量资源改建养老设施的责任主体,负责改建工作的决策部署、统筹推进等。结合城市更新现状评估工作、城市体检评估报告等,定期组织开展存量设施摸排工作,在省公共资源交易中心平台上发布存量设施信息。民政部门负责收集、汇总、报送有关项目信息和意见,主动做好服务工作,项目改建竣工验收后,依规核发养老机构备案证书。存量资源改建为养老配套的医疗卫生机构的,由卫生健康部门按规定核发医疗机构执业许可证或予以备案。
10.推动流程优化。各地、各部门要落实好本指引提供的操作流程,鼓励各设区市、县(市、区)政府结合本地实际,进一步优化相关流程,在确保依法依规前提下,简化审批手续,提高办理效率。
(三)减时间
11.发挥协调机制作用。有关县(市、区)应建立存量资源改建养老设施协调机制,集中协调民政、自然资源、住建、消防、应急、环保、卫健、街镇等各方意见,在协调审议事项中,重点关注并协调解决权属、文件资料缺乏、既有建筑改变使用功能确认问题等,对产权不明晰、项目前期工作手续不齐全的项目,现场逐条提出协调办理路径,对于产权、建筑结构安全、消防安全、水电气设施单独立表改建等确存在办理难题的,责任部门应依法依规、积极帮助解决问题事项,切实缩减办理时间。
12.推动服务集成改革。探索推动存量资源改造养老设施工作“一类事”改革,推进政务服务标准化,编制办事指南,明确受理条件、所需材料、办理流程、办结时限、容缺受理、告知承诺等内容,细化量化服务标准。
本办法自2024年5月10日起施行。
附:1.纳入城市更新方式操作程序指引图
2.临时改变建筑使用功能方式操作程序指引图










管理员
该内容暂无评论